Điện thoại cố định: 028.6264.1482
Bán hàng: 0965.605.840 - 0868.532.813
Địa chỉ: 565/19 Bình Thới, P.10, Q.11, TP.HCM
+ Bán hàng trực tiếp: Từ Thứ 2 - Thứ 7: 8h00' sáng - 6h00' tối
Riêng Chủ nhật: 8h00' sáng - 2h00' chiều
+ Bán hàng online: từ Thứ 2 - Thứ 7: 8h00' sáng - 5h00' chiều
+ Hỗ trợ kỹ thuật: từ Thứ 2 - Thứ 7: 8h00' sáng - 5h00' chiều
Lượt xem 1203
Đánh giá 1 lượt đánh giá
Giá bán: 7.400 đ
Thông số kỹ thuật:
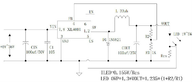
2A 150kHz 40V Buck DC/DC Converter With Constant Current Loop
General Description
The XL4001 is a 150KHz fixed frequency PWM buck (step-down) DC/DC converter, capable of driving a 2A load with high efficiency, low ripple and excellent line and load regulation. Requiring a minimum number of external components, the regulator is simple to use and include internal frequency compensation and a fixed-frequency oscillator.
The PWM control circuit is able to adjust the duty ratio linearly from 0 to 100%. An enable function, an over current protection function is built inside. An internal compensation block is built in to minimize external component count.

Datasheet:
http://www.xlsemi.com/datasheet/XL4001%20datasheet.pdf

.
------------------------------------------------------------------------------------------
1) Quý khách cần có những kiến thức cơ bản về Điện tử (Phân biệt được 1 số linh kiện cơ bản, chiều cắm của Linh kiện (nếu có)).
2) Đối với Bo mạch hoặc Module: Vui lòng kiểm tra kỹ Mạch điện trước khi cấp nguồn, để tránh những hư hỏng đáng tiếc.
3) Cấp nguồn đúng Thông số Điện áp ghi trên Bo mạch
4) Chú ý: Không bảo hành các trường hợp như sau:
- Không bảo hành cháy, nổ Vi xử lý, Sim, linh kiện trên bo mạch...
- Sử dụng không đúng điện áp...
- Các tác nhân hàn, cậy, làm biến dạng mạch...
------------------------------------------------------------------------------------------
1- Trên 90% Đơn hàng không phát được là do Bưu tá không liên lạc được với KH. Nên Quý khách vui lòng nghe máy để thuận tiện việc liên lạc giao hàng. Hoặc nếu có thể, KH nên bổ sung thêm 1 số điện thoại dự phòng khi đặt hàng
2- Khuyến khích KH đặt hàng với đơn hàng lớn hơn 50.000 vnđ (Chưa bao gồm cước phí vận chuyển) vì khi khách hàng đặt ít quá, nhưng tiền cước lại cao hơn tiền hàng, gây khó xử cho người bán lẫn người mua
3- Những đơn hàng ghi không đầy đủ thông tin Người nhận (Họ tên, Địa chỉ đầy đủ, Số điện thoại) chúng tôi xin từ chối xử lý
4- Chỉ sau khi gọi điện xác nhận được với quý khách chúng tôi mới bắt đầu gửi hàng, trừ những đơn hàng đặt trên các sàn TMĐT
5- Quý khách sẽ nhận được hàng sau 2-3 ngày (gửi nhanh) hoặc 4-7 ngày (gửi thường) tùy độ xa vùng miền. Những đơn hàng nào quá thời gian chúng tôi cam kết với quý khách, xin quý khách vui lòng liên lạc lại ngay với số điện thoại: (028)6.264.1482 để chúng tôi có thể kiểm tra và đốc thúc bên Bưu điện họ gửi nhanh hơn
Người gửi / điện thoại
Địa chỉ: 565/19 Bình Thới, P.10, Q.11, TP.HCM
Giờ làm việc:
+ Bán hàng trực tiếp: Từ Thứ 2 - Thứ 7 (8h00' sáng - 6h00' tối) - Chủ nhật (8h00' sáng - 2h00' chiều)
+ Bán hàng online: từ Thứ 2 - Thứ 7 (8h00' sáng - 5h00' chiều)
☎ Điện thoại cố định: 028.6264.1482
☎ Bán hàng: 0965.605.840 (Zalo) - 0868.532.813 (Zalo)
✉ Email: sale@chipn24.com
Design by Thiết kế WEB